Température plancher CCD

Tout ce qui concerne la gestion des instruments dans PRiSM.
L'observation automatique est incluse dans ce forum.
Leandre Vienat
Messages : 176
Enregistré le : 05 mars 2016, 12:38

Température plancher CCD

Message par Leandre Vienat »

Bonsoir

Je me pose une question. J'ai réalisé une soirée d'observation automatique à une température de -7°C et lorsque je veux effectuer une nouvelle soirée d'observation automatique comment faire pour obtenir une température finale de -7°C?

Ce que je veux dire par la c'est que quelque soit la température extérieur (dans un marge raisonnable on s'entend) réussir a être a -7?? Je n'ai pas réussi en utilisant " Réglage de la mise en température" si je met une température extérieur cela n'influence pas la descente vu que celle ci se fera en fonction de la température CCD lu lorsque lorsque le processus démarre. par exemple si j'ai mis un delta de -20°C et que la température CCD est de 20°C je serai a 0°C. Si la température de la ccd est de 10°C je me retrouve a -10°C. En fait cela dépend de ma température de départ mais difficile de savoir lorsque le processus démarre à combien elle sera. Actuellement ma façon de procéder (que j'ai trouvé) est la suivante:

- Je démarre la CCD (30min avant l'obs auto) et la met en température à environ 5°C en dessous de la température CCD
- Je prépare mon processus de descente pour arriver à -7°C
- Je start l'observation auto (ou elle commence en fct de l'heure) et la va à -7°C

Cela m'embête car je dois faire une manip hors observation automatique.

J'ai essayer d'utiliser température plancher mais cela ne fonctionne pas (du moins quand j'ai fais mes tests avec Atik 314L+) le delta prend toujours le dessus comme le montre mon screen ci dessous ou j'ai mis des valeurs bidons pour illustrer et la je retombe dans ce que j'explique au début..
Réglage température.JPG
Normalement la température finale ne devrait pas être dépassée (ou j'ai pas compris ce que veut dire plancher :lol: ). L'idéal pour moi serait de pouvoir indiquer une température finale et aussi le delta max que peux avoir une caméra X (par exemple pour moi Atik 314L+ -27). Cela donnerait les avantages suivants:

1- On arrive toujours à la température que l'on veut (température plancher)
2- Si l'écart est trop grand (temp CCD 25°C --- plancher -7° --- delta max -27°C --- Le delta prend le dessus et bloque la CCD a -2°C)

Voilà, en espérant avoir été suffisamment clair dans mes explications ;)
Cyril Cavadore
Messages : 4621
Enregistré le : 18 juin 2009, 22:41
Localisation : 42

Re: Température plancher CCD

Message par Cyril Cavadore »

en fait c'est pour faire des paliers et tu y vas direct.
Tel que c'est configuré ca va s'arreter a -7°
Cyril Cavadore, ALCOR-SYSTEM, Auteur de PRISM
http://www.alcor-system.com

Pour reporter vos problème, la marche à suivre est ici
viewtopic.php?f=7&t=1403
Leandre Vienat
Messages : 176
Enregistré le : 05 mars 2016, 12:38

Re: Température plancher CCD

Message par Leandre Vienat »

ben justement non lors de mon dernier essai la température est descendu en dessous elle s'est arrêter à -12°C...

Je referai un essai mais c'est quand même bizarre que dans a table de descente tu vois marqué Tp finale °C à -15°C alors que j'ai mis planché à 7°C non??
Cyril Cavadore
Messages : 4621
Enregistré le : 18 juin 2009, 22:41
Localisation : 42

Re: Température plancher CCD

Message par Cyril Cavadore »

Oui, effectivement ...
Mais je ne vois pas pourquoi tu utilises cette fonction si tu y vas d'un seul coup ?
Ca sert a faire des descentes et des pauses.
Je suis bon pour faire une video sur le sujet :-)))
Cyril Cavadore, ALCOR-SYSTEM, Auteur de PRISM
http://www.alcor-system.com

Pour reporter vos problème, la marche à suivre est ici
viewtopic.php?f=7&t=1403
Leandre Vienat
Messages : 176
Enregistré le : 05 mars 2016, 12:38

Re: Température plancher CCD

Message par Leandre Vienat »

Ben je sais pas dis moi comment réussir a atteindre une température voulue en observation automatique alors??

Sans lancer le refroidissement au préalable? J'ai beau faire des paliers j'arrive pas a avoir -7°C puisque tout dépend de la température de départ de la ccd qui elle dépend de ma températrue extérieure. Des fois elle démarre à 20 le lendemain il fait plus frais elle commence à 15... J'ai aucun moyen d'être répétitif et précis
Cyril Cavadore
Messages : 4621
Enregistré le : 18 juin 2009, 22:41
Localisation : 42

Re: Température plancher CCD

Message par Cyril Cavadore »

Il faut mettre des paliers de 5 en 5°C en descente, pas d'un coup comme ca.
J'ai jamais essayé d'ailleurs comme ca d'un coup....
Cyril Cavadore, ALCOR-SYSTEM, Auteur de PRISM
http://www.alcor-system.com

Pour reporter vos problème, la marche à suivre est ici
viewtopic.php?f=7&t=1403
Leandre Vienat
Messages : 176
Enregistré le : 05 mars 2016, 12:38

Re: Température plancher CCD

Message par Leandre Vienat »

d'accord et en observation automatique tu arrive a viser la température que tu souhaite à chaque fois??
Cyril Cavadore
Messages : 4621
Enregistré le : 18 juin 2009, 22:41
Localisation : 42

Re: Température plancher CCD

Message par Cyril Cavadore »

Oui, ca devrait marcher... apres je NE fais PAS de l'obs auto tous les jours de la semaine :-)
Cyril Cavadore, ALCOR-SYSTEM, Auteur de PRISM
http://www.alcor-system.com

Pour reporter vos problème, la marche à suivre est ici
viewtopic.php?f=7&t=1403
Leandre Vienat
Messages : 176
Enregistré le : 05 mars 2016, 12:38

Re: Température plancher CCD

Message par Leandre Vienat »

Je doute pas de ce que tu dis Cyril

On aura peut-être un week-end "correct" je vais testé et je te redirai. Je ferai des paliers de 5 en 5°C et tenterai d'arriver a -7°C car jusqu'à présent pas réussi vu que ma température de départ influence tout mon processus mais on verra bien ;)
Patrice Le Guen
Messages : 281
Enregistré le : 19 janv. 2014, 18:06
Localisation : Toulon
Contact :

Re: Température plancher CCD

Message par Patrice Le Guen »

Bonjour,

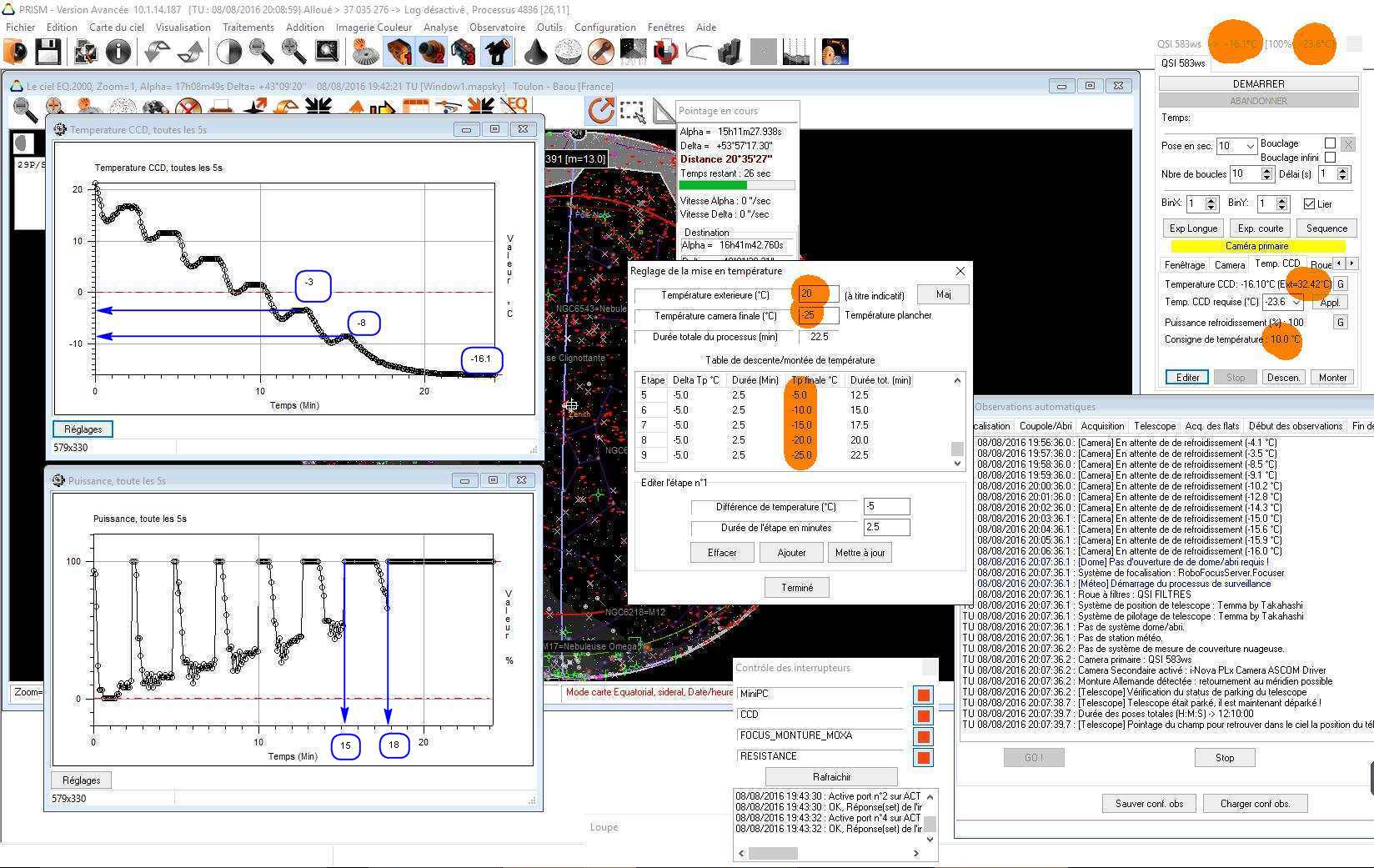
Je comprends le besoin exprimé par Leandre Vienat. Depuis 1 an que j'accumule de multiples essais à définir au mieux les paramètres de la rampe de descente de ma CCD QSI 583 je pense maintenant que l'algorithme de descente de température par paliers de PRISM n'est pas adapté pour le module OBS-AUTO, mais il se peut que cela ne se produise pas avec toutes les caméras et que c'est spécifique aux ATIK et QSI.

Lorsqu'on lance l'OBS-AUTO avec l'option de descente en température ou que l'on clique sur "Descend." PRISM se base sur la température extérieure de la CCD pour calculer la valeur de la "Temp. CCD requise (°C)". Alors que la rampe de descente de température est définie (colonne "température finale") de 5 en 5°C par paliers de 2.5 minutes, les températures de ces paliers ne sont pas respectés et PRISM passe par des paliers à -3°C et -8°C au lieu de –5°C et -10°C dans l'exemple ci-dessous.
Descente en température
Descente en température
Etant donné que j'ai fait un catalogue de darks de 5 en 5° (-10°, -15°, -20°, -25°) j'aurais souhaité que la CCD atteigne une de ces températures à l'issue de la descente en température avec une puissance de refroidissement maximale du Peltier de 95%, car il faut garder une réserve de 5% en cas de hausse de la température extérieure. Dans le cas présent la descente de température ne se termine pas et la puissance du Peltier reste à 100% et la CCD n'arrive jamais à atteindre la "Temp. CCD requise (°C)" de -23.6°C, la température stagne à -16.1°C et le refroidissement est toujours actif en vue d'atteindre la température de -23.6°C.

Je propose donc l'algorithme suivant :
1 – descendre en température selon la rampe définie (dans l'exemple de la copie d'écran -5°C, -10°C, -15°C, -20°C, -25°C), jusque-là rien ne change.
2 – si la puissance de refroidissement est > 95% après la fin d'un palier alors baisser la puissance de manière à atteindre le palier précédent (-15°C dans l'exemple).

PS : Ma configuration (setup)
PRISM 10.1.14.187 du 09/07/2016
Mini PC MSI Cubi 041EU
Version OS Windows 10 Famille en 64 bits – version 10586.71
Processeur Intel(R)_Core(TM)_i3-5005U CPU @ 2.00GHz
Disque dur SSD 128Go TS128GMSA370
Mémoire utilisable 3.88Go
Résolution 2048x1536
ASCOM Platform 6.1 – SP1 v6.1.1.2627
Monture EM200 Temma 2Jr et driver ASCOM Telescope driver for Takahashi Temma protocols 6.2.0.0
Caméra principale Acquisition CCD QSI583WSG pilote 2.8.26.0 du 16/11/2012 Firmware 5.2.6
Caméra secondaire Autoguider i-Nova PLA-MX hors axe 17mm et driver ASCOM I_Nova Camera Driver 2.3.3.5. Pilote Windows PLA-MX CCD Camera 1.0.0.0 du 19/10/2010.
Contrôle de focalisation : Robofocus et RobofocusSever driver ASCOM 5.2.0.0
Gestion d’interrupteurs IP9258FR Release Version : V4.01 2013/04/18
Serveur série MOXA NP5210A Firmware version=0x1020000
Onduleur FSP NANO 600
Modem routeur NETGEAR DGN2200v4 Firmware V1.0.0.58_1.0.58
Répondre